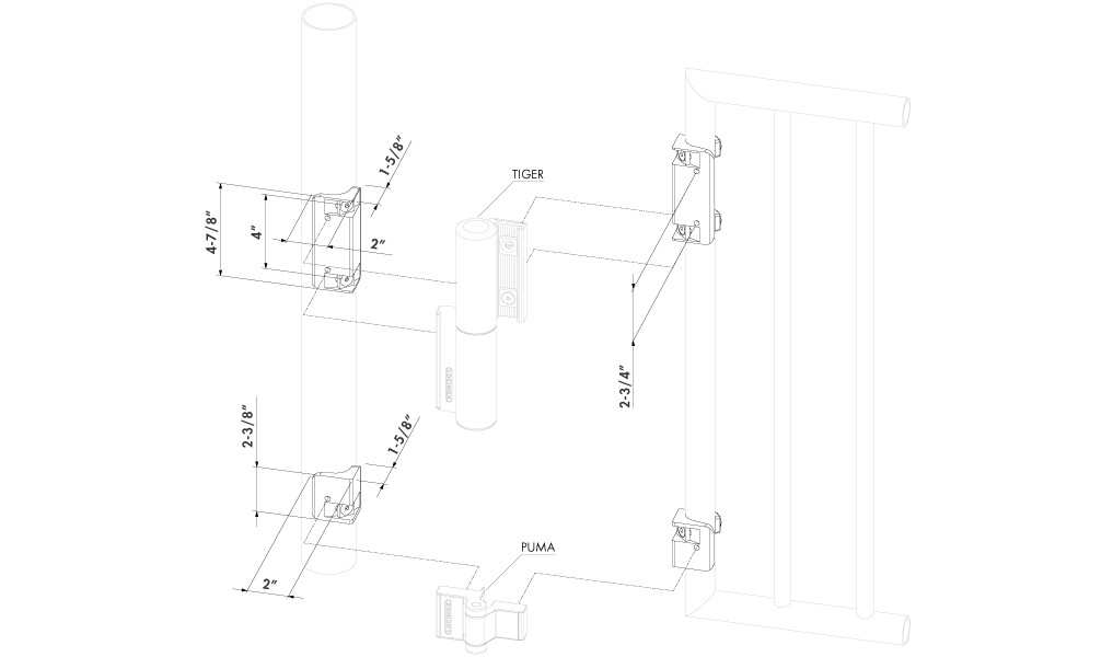
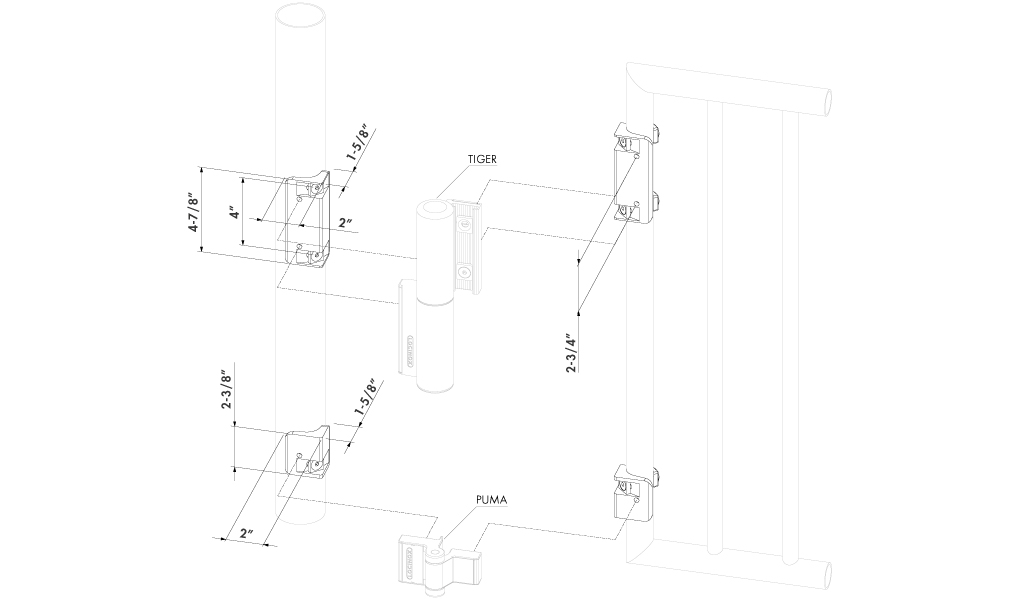
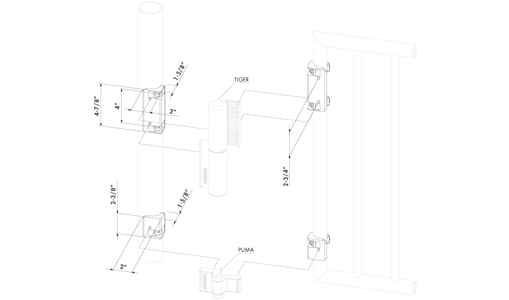
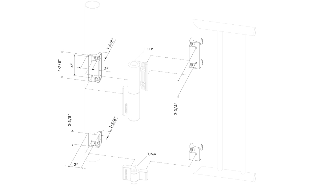
Chain link bracket for Tiger gate closer - CLB-TIGER
Item No.
P00004464 - CLB-TIGER
High quality aluminum bracket for installation of Tiger gate closer on round chain link fences. The brackets are installed between gate closer and post. A perfect, firm and easy installation is guaranteed thanks to the drilling jig. The brackets for the Puma hinge are included.
Specifications
| Specifications |
|
Drawings
Installation movies
Downloads
Product
On gate
2D/3D drawings
Installation instructions
Hydraulic damper for TURNITEC for 3-arm turnstile (120°)
Item No.
P00008659
TURNITEC base mechanism for 4-arm turnstile (90°)
Item No.
P00007729
Anti climb device to be mounted on top of the Serval spring hinge
Item No.
P00002394
Small surface mounted ornamental gate lock
Item No.
D00000004